产品型录

型录筛选

625-2Z

RDK-深沟球轴承 单列——开式或密封 d 3-9mm

我要采购 联系支持人员
参数配置
属性名称 属性值
型号 625-2Z
质量m
≈kg
0.005
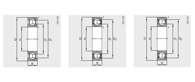
d 5
D 16
B 5
r
min
0.3
D1 -
D2 13.2
d1 8.5
da
min
7.4
Da
max
13.6
ra
max
0.3
动载荷
Cr
1320
静载荷
Cor
440
疲劳极限载荷
Cur/ N
22.4
极限转速
nG /min–1
36000
参考转速
nB/min–1
36500
尺寸图
描述

德國德克工業(香港)有限公司专业销售 RDK-深沟球轴承 单列——开式或密封 d 3-9mm 625-2Z, 625-2Z 相关信息有: 型号 625-2Z 内径:5 外径:16 厚度:5 ,想要更多的了解 625-2Z的相关信息,可以进行在线咨询或者拨打热线电话:4006086686 ,我们会详细为您服务。

625-2Z使用范围很广,625-2Z主要应用于工程机械、机床、汽 车、冶金、矿山、石油、机械、电力、铁路等行业,本公司销售的 625-2Z价格合理,保证质量,全方面的服务,尽一切满足客户的需求。