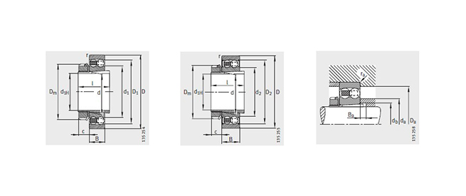
| 参数配置 | |
| 属性名称 | 属性值 |
|---|---|
| 轴承 | 2305-K-TVH-C3 |
| 紧定套 | H2305 |
| 轴承 ≈kg |
0.328 |
| 紧定套 ≈kg |
0.085 |
| d1H | 20 |
| d | 25 |
| D | 62 |
| B | 24 |
| r min |
1.1 |
| D1 ≈ |
50.1 |
| D2 ≈ |
- |
| d1 ≈ |
35.5 |
| d2 ≈ |
- |
| Dm | 38 |
| I | 35 |
| c ≈ |
9 |
| da max |
34 |
| Da max |
55 |
| db min |
30 |
| Ba min |
5 |
| ra max |
1 |
| 动载荷 Cr |
25000 |
| 静载荷 Cor |
6500 |
| e | 0.48 |
| Y1 | 1.32 |
| Y2 | 2.04 |
| Y0 | 1.38 |
| 疲劳极限载荷 Cur/ N |
405 |
| 极限转速 nG /min–1 |
13000 |
| 参考转速 nB/min–1 |
14100 |
德國德克工業(香港)有限公司专业销售 RDK-调心球轴承 带紧定套——开式或密封 d 20-45mm 2305-K-TVH-C3, 2305-K-TVH-C3 相关信息有: 型号 2305-K-TVH-C3 内径:25 外径:62 厚度:24 ,想要更多的了解 2305-K-TVH-C3的相关信息,可以进行在线咨询或者拨打热线电话:4006086686 ,我们会详细为您服务。
2305-K-TVH-C3使用范围很广,2305-K-TVH-C3主要应用于工程机械、机床、汽 车、冶金、矿山、石油、机械、电力、铁路等行业,本公司销售的 2305-K-TVH-C3价格合理,保证质量,全方面的服务,尽一切满足客户的需求。