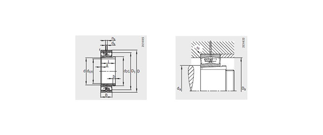
| 参数配置 | |
| 属性名称 | 属性值 |
|---|---|
| 轴承 | 23176-K-MB |
| 退卸套 | AH3176G |
| 轴承 ≈kg |
226 |
| 退卸套 ≈kg |
32.2 |
| d1H | 360 |
| d | 380 |
| D | 620 |
| B | 194 |
| r min |
5 |
| D1 ≈ |
539.6 |
| ds | 12.5 |
| ns | 23.5 |
| a ≈ |
10 |
| b | 36 |
| 螺纹 d2G |
Tr400×5 |
| I | 232 |
| da min |
400 |
| Da max |
600 |
| ra max |
4 |
| 动载荷 Cr |
166 |
| 静载荷 Cor |
2.5 |
| e | 540000 |
| Y1 | 560000 |
| Y2 | 0.33 |
| Y0 | 2.04 |
| 疲劳极限载荷 Cur/ N |
3.04 |
| 极限转速 nG /min–1 |
2 |
| 参考转速 nB/min–1 |
50000 |
德國德克工業(香港)有限公司专业销售 RDK-调心滚子轴承 带退卸套 d 300-400mm 23176-K-MB, 23176-K-MB 相关信息有: 型号 23176-K-MB 内径:380 外径:620 厚度:194 ,想要更多的了解 23176-K-MB的相关信息,可以进行在线咨询或者拨打热线电话:4006086686 ,我们会详细为您服务。
23176-K-MB使用范围很广,23176-K-MB主要应用于工程机械、机床、汽 车、冶金、矿山、石油、机械、电力、铁路等行业,本公司销售的 23176-K-MB价格合理,保证质量,全方面的服务,尽一切满足客户的需求。