产品型录

型录筛选

51100

RDK-推力球轴承 单向推力球轴承 d 10-25 mm

我要采购 联系支持人员
参数配置
属性名称 属性值
轴承 51100
垫圈 -
轴承 0.018
垫圈
≈kg
-
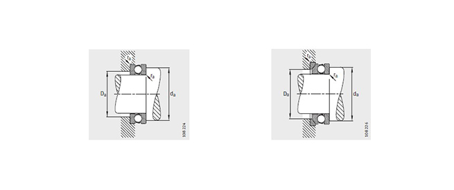
d 10
D 24
T 9
D1 11
d1 24
r
min
0.3
R -
A -
D2 -
D3 -
C -
T1 -
da
min
18
Da
max
16
ra
max
0.3
动载荷
Ca
10000
静载荷
C0a
14000
Cua
N
620
A 0.001
nG
min-1
13000
尺寸图
描述

德國德克工業(香港)有限公司专业销售 RDK-推力球轴承 单向推力球轴承 d 10-25 mm 51100, 51100 相关信息有: 型号 51100 内径:10 外径:24 厚度: ,想要更多的了解 51100的相关信息,可以进行在线咨询或者拨打热线电话:4006086686 ,我们会详细为您服务。

51100使用范围很广,51100主要应用于工程机械、机床、汽 车、冶金、矿山、石油、机械、电力、铁路等行业,本公司销售的 51100价格合理,保证质量,全方面的服务,尽一切满足客户的需求。