产品型录

型录筛选

51332-MP

RDK-推力球轴承 单向推力球轴承 d 130-170 mm

我要采购 联系支持人员
参数配置
属性名称 属性值
轴承 51332-MP
垫圈 -
轴承 21.2
垫圈
≈kg
-
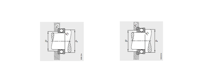
d 160
D 270
T 87
D1 164
d1 265
r
min
3
R -
A -
D2 -
D3 -
C -
T1 -
da
min
226
Da
max
204
ra
max
2.5
动载荷
Ca
465000
静载荷
C0a
1560000
Cua
N
47000
A 13
nG
min-1
1200
尺寸图
描述

德國德克工業(香港)有限公司专业销售 RDK-推力球轴承 单向推力球轴承 d 130-170 mm 51332-MP, 51332-MP 相关信息有: 型号 51332-MP 内径:160 外径:270 厚度: ,想要更多的了解 51332-MP的相关信息,可以进行在线咨询或者拨打热线电话:4006086686 ,我们会详细为您服务。

51332-MP使用范围很广,51332-MP主要应用于工程机械、机床、汽 车、冶金、矿山、石油、机械、电力、铁路等行业,本公司销售的 51332-MP价格合理,保证质量,全方面的服务,尽一切满足客户的需求。