产品型录

型录筛选

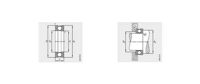
51192-MP

RDK-推力球轴承 单向推力球轴承 d 340-560 mm

我要采购 联系支持人员
参数配置
属性名称 属性值
型号 51192-MP
≈kg 37.200
d 460
D 560
T 80
D1 464
d1 555
r
min
2.1
da
min
520
Da
max
500
ra
max
2.1
动载荷
Ca
530000
静载荷
C0a
3100000
Cua
N
61000
A 50
nG
min-1
800
尺寸图
描述

德國德克工業(香港)有限公司专业销售 RDK-推力球轴承 单向推力球轴承 d 340-560 mm 51192-MP, 51192-MP 相关信息有: 型号 51192-MP 内径:460 外径:560 厚度: ,想要更多的了解 51192-MP的相关信息,可以进行在线咨询或者拨打热线电话:4006086686 ,我们会详细为您服务。

51192-MP使用范围很广,51192-MP主要应用于工程机械、机床、汽 车、冶金、矿山、石油、机械、电力、铁路等行业,本公司销售的 51192-MP价格合理,保证质量,全方面的服务,尽一切满足客户的需求。