产品型录

型录筛选

54208

RDK-推力球轴承 双向推力球轴承 d 10-35 mm

我要采购 联系支持人员
参数配置
属性名称 属性值
轴承 54208
垫圈 -
轴承
≈kg
0.513
垫圈
≈kg
-
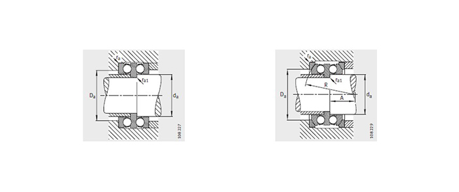
d 30
D 68
T2 38.6
D1 42
B 9
r
min
1
r1
min
0.6
R 56
A 25
D2 -
D3 -
C -
T3 -
da 40
Da
max
55
ra
max
1
ra1
max
0.6
动载荷
Ca
46500
静载荷
C0a
98000
Cua
N
4300
A 0.05
nG
min
4800
尺寸图
描述

德國德克工業(香港)有限公司专业销售 RDK-推力球轴承 双向推力球轴承 d 10-35 mm 54208, 54208 相关信息有: 型号 54208 内径:30 外径:68 厚度:9 ,想要更多的了解 54208的相关信息,可以进行在线咨询或者拨打热线电话:4006086686 ,我们会详细为您服务。

54208使用范围很广,54208主要应用于工程机械、机床、汽 车、冶金、矿山、石油、机械、电力、铁路等行业,本公司销售的 54208价格合理,保证质量,全方面的服务,尽一切满足客户的需求。