产品型录

型录筛选

RA100-NPP-B

RDK-外球面轴承,轴承座单元 外球面轴承 英制 d 0.625-1.25 mm

我要采购 联系支持人员
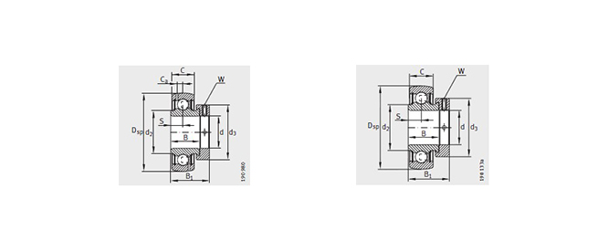
参数配置
属性名称 属性值
型号 RA100-NPP-B
≈kg 0.19
Dsp 52
D -
B 21.4
B1 31
C 15
Ca -
C2 -
S 7.5
d1 -
d2 30.5
D1 -
d3
max
37.5
A -
W 43108
动载荷
Cr
N
14000
静载荷
Cor
N
7800
轴承 6205
mm 25.4
尺寸图
描述

德國德克工業(香港)有限公司专业销售 RDK-外球面轴承,轴承座单元 外球面轴承 英制 d 0.625-1.25 mm RA100-NPP-B, RA100-NPP-B 相关信息有: 型号 RA100-NPP-B 内径: 外径:- 厚度:21.4 ,想要更多的了解 RA100-NPP-B的相关信息,可以进行在线咨询或者拨打热线电话:4006086686 ,我们会详细为您服务。

RA100-NPP-B使用范围很广,RA100-NPP-B主要应用于工程机械、机床、汽 车、冶金、矿山、石油、机械、电力、铁路等行业,本公司销售的 RA100-NPP-B价格合理,保证质量,全方面的服务,尽一切满足客户的需求。