| 参数配置 | |
| 属性名称 | 属性值 |
|---|---|
| 单元 | PASE60-N-FA125 |
| 轴承座 | GG.ASE12-N-FA125.1 |
| 外球面球轴承 | GRAE60-NPP-B-FA125.5 |
| m ≈kg |
4.350 |
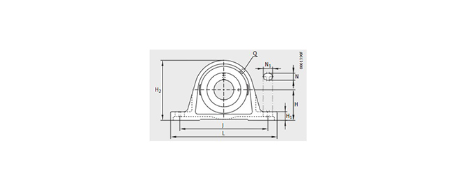
| d | 60 |
| H | 69.900 |
| J | 190 |
| L | 240 |
| A | 60 |
| A1 | 42 |
| H1 | 25 |
| H2 | 140 |
| N | 18 |
| N1 | 28 |
| B | - |
| B1 | 53.1 |
| S1 | 39.6 |
| Q | Rp1/8 |
| d3 max |
84 |
| 动载荷 Cr N |
52000 |
| 静载荷 Cor N |
36000 |
| 型号 | KASK12 |
德國德克工業(香港)有限公司专业销售 RDK-外球面轴承,轴承座单元 轴承座单元 立式轴承座单元 铸铁轴承座 带长底座 d 50-75 mm GG.ASE12-N-FA125.1, GG.ASE12-N-FA125.1 相关信息有: 型号 GG.ASE12-N-FA125.1 内径:60 外径: 厚度:- ,想要更多的了解 GG.ASE12-N-FA125.1的相关信息,可以进行在线咨询或者拨打热线电话:4006086686 ,我们会详细为您服务。
GG.ASE12-N-FA125.1使用范围很广,GG.ASE12-N-FA125.1主要应用于工程机械、机床、汽 车、冶金、矿山、石油、机械、电力、铁路等行业,本公司销售的 GG.ASE12-N-FA125.1价格合理,保证质量,全方面的服务,尽一切满足客户的需求。