产品型录

型录筛选

GG.ASE18

RDK-外球面轴承,轴承座单元 轴承座单元 立式轴承座单元 铸铁轴承座 带长底座 d 80-120 mm

我要采购 联系支持人员
参数配置
属性名称 属性值
单元 RASEY90
轴承座 GG.ASE18
外球面球轴承 GYE90-KRR-B
m
≈kg
12.6
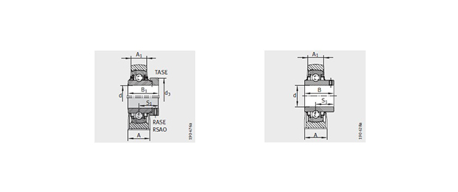
d 90
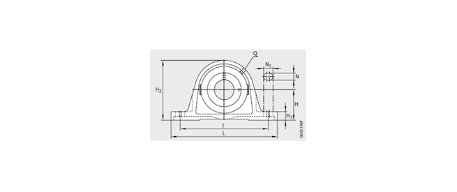
H 101.6
J 268
L 330
A 85
A1 55
H1 35
H2 200
N 27
N1 35
B 96
B1 -
S1 56.3
Q Rp1/8
d3
max
-
动载荷
Cr
N
96000
静载荷
Cor
N
72000
尺寸图
描述

德國德克工業(香港)有限公司专业销售 RDK-外球面轴承,轴承座单元 轴承座单元 立式轴承座单元 铸铁轴承座 带长底座 d 80-120 mm GG.ASE18, GG.ASE18 相关信息有: 型号 GG.ASE18 内径:90 外径: 厚度:96 ,想要更多的了解 GG.ASE18的相关信息,可以进行在线咨询或者拨打热线电话:4006086686 ,我们会详细为您服务。

GG.ASE18使用范围很广,GG.ASE18主要应用于工程机械、机床、汽 车、冶金、矿山、石油、机械、电力、铁路等行业,本公司销售的 GG.ASE18价格合理,保证质量,全方面的服务,尽一切满足客户的需求。