产品型录

型录筛选

ZRB62X80

RDK-滚动体 圆柱滚子 圆柱滚子

我要采购 联系支持人员
参数配置
属性名称 属性值
型号 ZRB62X80
≈kg 1870
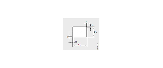
Dw 62
Lw 80
尺寸图
描述

德國德克工業(香港)有限公司专业销售 RDK-滚动体 圆柱滚子 圆柱滚子 ZRB62X80, ZRB62X80 相关信息有: 型号 ZRB62X80 内径: 外径: 厚度: ,想要更多的了解 ZRB62X80的相关信息,可以进行在线咨询或者拨打热线电话:4006086686 ,我们会详细为您服务。

ZRB62X80使用范围很广,ZRB62X80主要应用于工程机械、机床、汽 车、冶金、矿山、石油、机械、电力、铁路等行业,本公司销售的 ZRB62X80价格合理,保证质量,全方面的服务,尽一切满足客户的需求。